
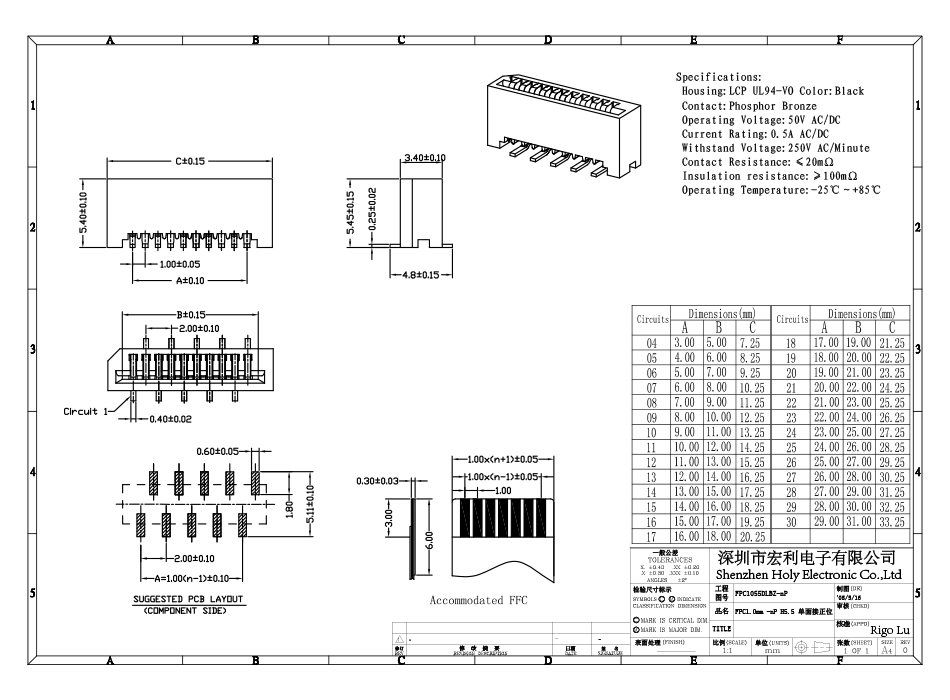
型号:FPC1.0mm单面接立贴
接触面:排线金手指朝右插入与端子接触点接触
适配线度:0.3+-0.2mm
额定电流:0.5A AC/DC
工作温度:-25℃~+85℃
|
型号 |
FPC1.0mm单面接立贴 |
料号 |
FPC1055DLBZ-nP |
|
额定电流 |
0.5A AC/DC |
额定电压 |
50V AC/DC |
|
接触电阻 |
<20 |
绝缘电阻 |
>100 |
|
形状 |
扁平 |
耐电压 |
250V AC/min |
|
材质 |
LCP/磷青铜 |
接触面 |
单面接无锁式排线金手指朝右插入与端子接触点接触 |
| 应用范围 |
液晶显示/扫描仪/计算机主机板/ 无线仪器/汽车电子/军用器材/通信/家电等医疗仪表电子设备 |
||


